欢迎来到 济南中创工业测试系统有限公司
更新时间:2019-03-07 浏览次数:
汽车气弹簧抗拉强度(拉力)性能的测试依据行业标准QCT207汽车用普通气弹簧来试验。
气弹簧抗拉强度(拉力)性能试验机主要适用于汽车普通气弹簧:自锁气弹簧、气弹簧支撑杆、可控气弹簧、不锈钢气弹簧、氮气气弹簧等做抗拉强度、拉伸变形、拉伸刚度、拉力位移、拉伸负荷、承载力等性能测试。
汽车气弹簧在做抗拉强度性能试验时需满足哪些要求呢?
1、气弹簧应符合标准规定,并按照经规定程序批准的图样及技术文件制造。
2、气弹簧的安装长度公差应符合QC/T 29087的A级。
3、气弹簧的外形应光洁、平整,没有毛刺。
4、气弹簧活塞杆的镀层应均匀,不允许存在可见的裂纹、起泡、麻点、起层等缺陷。
5、除活塞杆外的其它零件镀层应均匀:不允许存在局部无镀层、明显的裂纹、起泡、粗糙等缺陷。
6、气弹簧的涂覆层应均匀,不允许存在露底、起皱、起泡、剥落等缺陷。
7、工作温度范围:一40℃~80℃。
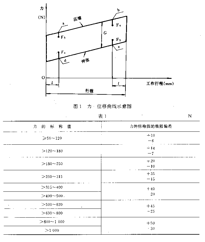
气弹簧做抗拉强度(拉力)试验时,力的标称值极限偏差应满足下表要求:
气弹簧抗拉强度(拉力)测试方法:
将气弹簧的两端连接部位固定在气弹簧性能试验机上,施加表2规定的拉力试验。
|
受拉部件比较小截面尺寸 |
拉力 |
|
M5 |
2000 |
|
M6 |
3000 |
|
M8 |
4500 |
|
M10 |
6000 |
|
M12 |
10000 |
表2
试验后,根据以下步骤测试:
试验条件:温度20±2℃,放置4h后进行测量,测试速度为500 mm/min。
试验方法:将气弹簧的活塞杆朝下垂直装夹于气弹簧性能试验机上,进行不少于3个循环的运行,同时观察气弹簧活塞杆有无卡滞或明显的振动。如无异常,则开始测量并记录力一位移曲线,各点F力按下述方法测量:
按规定的L距离压缩气弹簧活塞杆到a点,停留3s;记录F3力的数值。
压缩气弹簧活塞杆到b点,停留3s;记录F4力的数值。
气弹簧活塞杆伸张到c点,停留3s;记录F2力的数值。
气弹簧活塞杆伸张到d点,停留3s;记录F1力的数值。

销售总机:0531-85990007 传真:+86-531-85997770
常规设备:18615658728 13031706888
非标定制:18615658711 18615658716
邮箱:jnzcgy@163.com Skype:jnzcgy_zjc@hotmail.com
售后电话:0531-62302272 售后:jnzcgy_service@163.com
地址:山东省济南市槐荫经济开发区西沙路690号
版权所有:济南中创工业测试系统有限公司 | 鲁ICP备10018659-1号